Home » News center » Horizontal gear oil pump device
Horizontal gear oil pump device
      Promulgator :wangmeizhen      Time:2018-06-13

Horizontal gear oil pump device

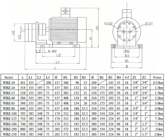
WBZ-10,WBZ-16,WBZ-25,WBZ-40,WBZ-63,WBZ-80,WBZ-100,WBZ-125,WBZ-160,WBZ-200,WBZ-250

Gear pump WBZ-10,WBZ-16,WBZ-25,WBZ-40,WBZ-63,WBZ-80,WBZ-100,WBZ-125,WBZ-160,WBZ-200,WBZ-250

 
No comment
Total 0 records, divided into1 pages. First Prev Next Last
Business time
9:00-22:00
  • Email:support@rig123.com